A 544 sq ft detached ADU featuring minimalist design, floor-to-ceiling windows, and seamless indoor-outdoor living. Perfect for a modern retreat or rental income property.
Elevated structure with natural wood siding and expansive glazing.

The exterior features horizontal wood siding that creates a warm, natural aesthetic. Large windows provide panoramic views and flood the interior with natural light. The elevated foundation protects from moisture and creates a floating appearance in the landscape.
Open-concept living with modern finishes and floor-to-ceiling windows.

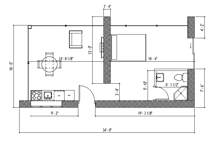
Efficient layout with kitchen, living area, bedroom space, and full bathroom.

Floor-to-ceiling windows on multiple sides provide breathtaking views and connect the interior with nature.
544 sq ft of intelligently designed open space that feels spacious and flows naturally.
Fully equipped 9'-2" galley kitchen with all appliances and ample storage in a compact footprint.
Complete bathroom with shower, toilet, and vanity providing all necessary facilities.
Multiple deck areas extend the living space outdoors and create seamless indoor-outdoor flow.
Wood siding and dark wood ceilings create warmth while maintaining a contemporary aesthetic.
Get a custom ADU report and consultation for your property. Let's create your modern retreat!